
與傳統汽車相比,新能源汽車EMC問題更加突出。
新能源汽車動力直接使用電驅動系統,高壓附件的使用會使電磁干擾問題的更為嚴重。
動力系統由于電流在極短時間內的跳動以及大功率半導體開關的快速移動會發出強烈的輻射以及電磁干擾。
1、電磁兼容測試在新能源汽車中的必要性
電磁兼容(Electromagnetic Compatibility,簡稱EMC)。指設備或系統在其電磁環境中能正常工作且不對該環境中任何事物構成不能承受的電磁干擾的能力。
EMC包括兩個方面的要求:一方面是指設備在正常運行過程中對所在環境產生的電磁干擾不能超過一定的限值,即所謂的電磁干擾(Electromagnetic Interference,簡稱EMI)。
另一方面是指設備對所在環境中存在的電磁干擾具有一定程度的抗擾度,即所謂的電磁抗干擾(Electro Magnetic Susceptibility,簡稱EMS)。
與傳統汽車相比,新能源汽車EMC問題更加突出。新能源汽車動力直接使用電驅動系統,高壓附件的使用會使電磁干擾問題的更為嚴重。動力系統由于電流在極短時間內的跳動以及大功率半導體開關的快速移動會發出強烈的輻射以及電磁干擾。
加上電子電氣部件都占據著極大的比重,其中的電磁兼容性問題又與整車的安全密切相關。汽車內各種控制器,DCDC.DCAC都是強干擾源,而且線束又多又長,輻射干擾很嚴重。隨著CISPR25-2016的發布,高壓系統的EMC要求越來越嚴,EMC測試已成為汽車廠商所要面對的最嚴峻的挑戰之一。

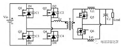
一個典型的DCDC拓撲結構
為了減小電磁干擾,我們就必須要加強電磁兼容性測試。
2、EMC的分析原理
傳統EMC設計中一般遵循:產品設計--樣品生產--EMC 測試--測試不通過--整改--更改設計--樣品生產--測試通過。
定位困難,反復重復的工作。
EMC仿真是基于軟件分析的一種正向電磁兼容設計方法,包括3D仿真,PCB仿真和系統及電路仿真。
電磁場的分析方法有解析法和數值法。EMC仿真軟件都是基于數值法。
常用的數值法

電磁干擾中所有算法的基礎,Maxwell方程:


Maxwell方程微分形式
現在比較主流的EMC仿真軟件有ANSYS系列和CST系列

EMC仿真可以得出精確的結果

微信掃一掃